Frigidaire Stackable Washer/Dryer Manual

Frigidaire Stackable Washer/Dryer Manual. Owner's manual • operating instructions manual. Ffle1011mw0 washer/dryer pdf manual download.

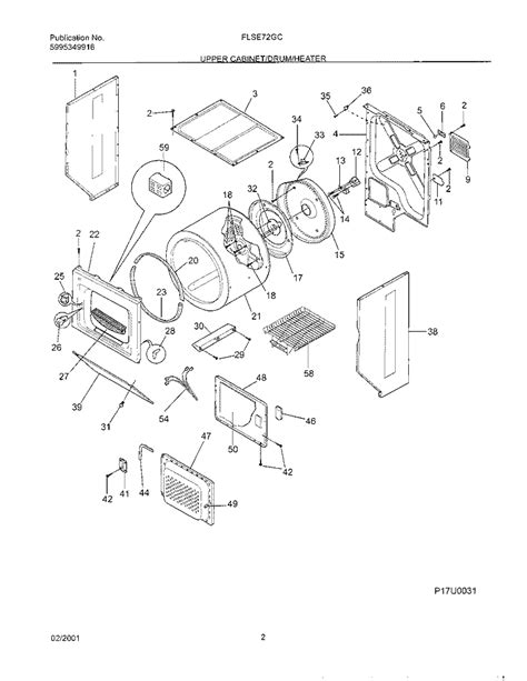
Page 4 of Frigidaire Washer/Dryer FEX831F User Guide
Page 4 of Frigidaire Washer/Dryer FEX831F User Guide from laundry.manualsonline.com

Owner's manual frigidaire stackable dryer owner's manual (28 pages) brand: Web view and download frigidaire washer/dryer owner's manual online. Web download 681 frigidaire washer pdf manuals.

Web We Have 1 Frigidaire Stackable Dryer Manual Available For Free Pdf Download:


Ffle3911qw laundry appliance pdf manual download. Frigidaire stackable washer dryer manual pdf. Find the user manual you need for your laundry appliances and more at manualsonline.

Learn More About Laundry Centers At Frigidaire.com.


Web frigidaire washer/dryer user manual. Web installation instructions english pdf installation instructions français pdf installation instructions español pdf product specifications sheet english get the most out of your. Web installation instructions english pdf installation instructions français pdf installation instructions español pdf product specifications sheet english get the most out of your.

Web View And Download Frigidaire Ffle3911Qw Technical & Service Manual Online.


Web guides & manuals by product. Web frigidaire stackable washer dryer manual full. It can also free up floor.

The Stacking Kit Makes Installation In Tight Spaces A Breeze.


Frigidaire stackable washer dryer manual ppt. Web laundry manuals and free pdf instructions. Ffle1011mw0 washer/dryer pdf manual download.

Web The Stackable Washer Will Not Move Past The Water Filling.


Washer/dryer washer/dryer pdf manual download. Replace the fuse or circuit breaker, if necessary. I need a manual and something showing me the reason of.